Sanding/polishing system for large metal components
Sanding/polishing system for large metal components
![[ Image ] Sanding/polishing system for large metal components](./file/164/m20-ia_main.jpg)
A 20 kg wrist loading type robot system to be systematized according to the customer's equipment specifications
A 20 kg wrist loading robot M-20iA is installed in this system. Peripherals are selected according to the customer's environment to complete the system.- Tools selected according to the usage
Wheel tool grasping type
![[ Image ] Wheel tool grasping type](./file/156/m20-ia_img01.jpg)

Wheel tool holder and automatic changer
Disk tool grasping type
![[ Image ] Disk tool grasping type](./file/158/m20-ia_img03.jpg)

Disk tool holder and automatic changer for sandpaper disks
Belt sander tool grasping type
![[ Image ] Belt sander tool grasping type](./file/161/m20-ia_img05.jpg)

Belt sander tool holder and sanding belt automatic changer
Applications
| Application examples Aluminum die cast parts Brass parts |
|
|---|
| Footprint | W2300mm x D4200mm+α x H2500mm |
|---|---|
| Handling method | Tool grasping type |
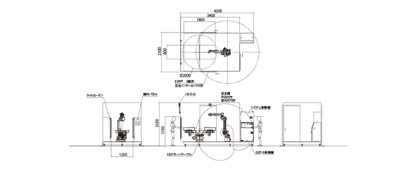
Dimensions
![[ Image ] Dimensions](./file/162/m20-ia_size_img01.gif)
Specification
| Footprint | W2300mm x D4200mm+α x H2500mm |
|---|---|
| Robot | FANUC Robot M-20iA customized by Yamaha |
| Workpiece supply system | 180° turntable system |
| Operation panel | Touch panel system |
| Customizations |
|
Contact point
Inquiry by email
Inquiry by phone
+81-53-467-3601
![[ Image ] Crankcase cover](./file/163/m20-ia_work_img01.jpg)
![[ Image ] Trumpet parts](./file/165/m20-ia_work_img02.jpg)
![[ Image ] Transmission case](./file/166/m20-ia_work_img03.jpg)

