大型金属部品用研削/研磨システム
大型金属部品用研削/研磨システム
![[画像]大型金属部品用研削/研磨システム](./file/164/m20-ia_main.jpg)
お客様の設備仕様に合わせてシステム化する20㎏可搬タイプ
20㎏可搬ロボットのM-20iAを組み込んだシステムです。お客様の環境に合わせて周辺機器をお選びいただきシステムを完成させます。- 用途に合わせてツールを選択
ホイールツール把持型
![[画像]ホイールツール把持型](./file/156/m20-ia_img01.jpg)

ホイールツールホルダーと自動交換装置
ディスクツール把持型
![[画像]ディスクツール把持型](./file/158/m20-ia_img03.jpg)

ディスクツールホルダーとディスクペーパー自動交換装置
ベルトサンダーツール把持型
![[画像]ベルトサンダーツール把持型](./file/161/m20-ia_img05.jpg)

ベルトサンダーツールホルダーと サンディングベルト自動交換装置
ワーク
| 対象ワーク アルミダイキャスト部品 真鍮部品 |
|
|---|
| 設置面積 | (W)2300 x (D)4200+α x (H)2500mm |
|---|---|
| ハンドリング方法 | ツール把持型 |
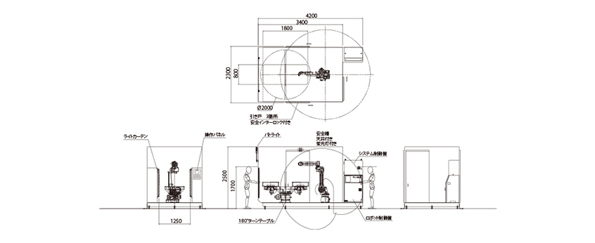
外形寸法
![[画像]外形寸法](./file/162/m20-ia_size_img01.gif)
スペック
| 設置面積 | (W)2300 x (D)4200 x (H)2500(mm) |
|---|---|
| ロボット本体 | ファナック社 M-20iA(20kg可搬) FINISHING MODEL customized by Yamaha |
| ワーク供給方式 | 180°ターンテーブル方式 |
| 操作パネル | タッチパネル方式 |
| 特注対応 |
|
![[画像]クランクケースカバー](./file/163/m20-ia_work_img01.jpg)
![[画像]トランペット部品](./file/165/m20-ia_work_img02.jpg)
![[画像]トランスミッションケース](./file/166/m20-ia_work_img03.jpg)

