超音波式ヒートシール検査機 UE-02
超音波式ヒートシール検査機
UE-02
UE-02
![[画像]ヒートシール検査機 SST-001](./file/1128/ultrasonica_main.jpg)
20チャンネルのアレイセンサーで、シール面の全数自動検査を可能に。
包装シール不良を高精度に検出するヤマハの超音波式ヒートシール検査機。20チャンネルのアレイセンサーを新たに搭載したことで、製品を水没・汚染することなく、ラインスキャンで瞬時にシール面を撮像でき、製造ラインにおける全自動での全数検査が可能になりました。ワーク
| 対象ワーク |
|
|---|
| 測定範囲 | 20mm幅 ※測定対象物の端部から2mmの範囲は測定不能 |
|---|---|
| 検出サイズ | Φ2.0mmの気泡 |
| 検査スピード | 1,000mm/sec |
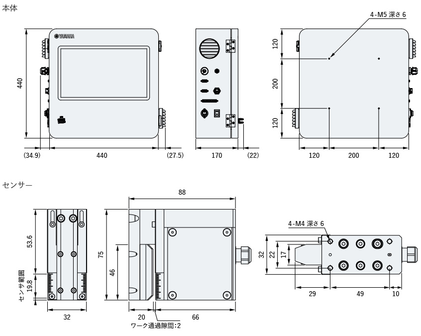
外形寸法
![[画像]外形寸法 U-20](./file/1129/ue_02_main.jpg)
スペック
| 測定可能幅 | 20mm ※測定対象物の端部から2mmの範囲は測定不能 |
|---|---|
| 最小欠陥検出サイズ | Φ2.0mmの気泡 |
| 対応可能ワーク速度 | 1,000mm/sec |
| 測定可能ポイント数 | Min 200ポイント ※最小の測定周期は0.1sec Max 60,000ポイント 60sec@パルス発信周期1msec 120sec@パルス発信周期2msec 300sec@パルス発信周期5msec |
| エンコーダ入力 | ・DC5Vラインドライバ出力 ・使用する最大のラインスピードでエンコーダパルス周波数が100kHz以下 ・パラメータにエンコーダ仕様を入力すると、自動計算して1mmピッチで検査 設定例:2000[pulse/rev]、100[mm/rev] ※最小の超音波発信周期=0.5msec |
| 本体寸法 | 440×440×170mm ※外形寸法図参照 |
| センサヘッド寸法 | 88×75×32mm ※外形寸法図参照 |
| 本体防水 | IP53 |
| センサヘッド防水 | IP5X ※水洗浄にはカバー等による防水保護が必要です |
| I/O入力機能 | WORK EDGE TRIGGER、START、STOPなど16ピン |
| I/O出力機能 | READY、BUSY、OK、NG、ERRORなど16ピン |
| 制御PC | OS:Windows 10 入力・表示:液晶タッチパネル 記憶装置:内蔵SSD |
| 電源 | 単相AC 100 - 240V、50/60Hz、0.5kVA |
| 温度 | 5~40℃ |
| 湿度 | 結露なきこと |
※記載の内容は、予告なく変更する場合があります。




